- Каталог
- Элементы автоматики
- Термоголовки и приводы
- Электропривод поворотный аналоговый
Электропривод поворотный аналоговый
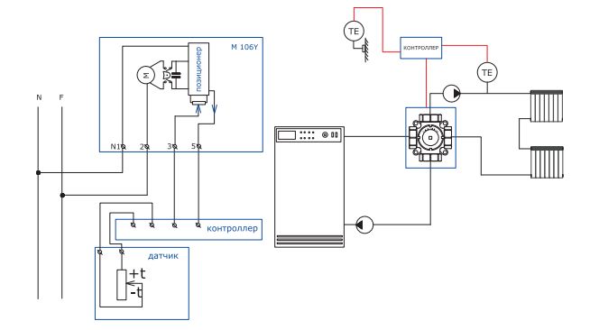
(VT.M106.R) Электропривод поворотный аналоговый предназначен для автоматического управления трех- и четырехходовыми смесительными клапанами VALTEC и аналогичными им с помощью термостата или контроллера. Модель имеет аналоговое управление (сигнал – напряжение 0–10 В). Возможно переключение на ручное управление. Аналоговый электропривод VT.M106.R подключается к клапану с помощью переходной втулки (входит в комплект поставки). Максимально допустимая температура нагрева корпуса клапана (арматуры) – 150 °С. Напряжение питания – 24 В.
Схема подключения привода VT.M106.R с аналоговым управлением от контроллера

| Артикул | Размер | Цена за единицу |
|---|---|---|
| Арт. | Разм./кол. | Цена |
| VT.M106.R.024 | 24 В (0-10 В) | 42725p |
| * Указаны рекомендованные производителем розничные цены (руб). | ||
Паспорт: Электропривод поворотный для смесительного клапана (PDF, 706 KБ)
Декларация о соответствии техническому регламенту Таможенного союза: Электроприводы на 24 В (PDF, 655 КБ)
Отказное письмо в области пожарной безопасности (PDF, 930 КБ)
Производитель оставляет за собой право внесения изменений в конструкцию, улучшающие качество изделия при сохранении основных эксплуатационных характеристик.

















