- Техподдержка
- Статьи
- Архив
- Характерные причины отказов и испытания квартирных редукторов давления

Характерные причины отказов и испытания квартирных редукторов давления

По мере массового распространения регуляторов (редукторов) давления, устанавливаемых на вводе холодного и горячего водопровода в квартиру, был выявлен ряд специфических требований к этим приборам.
К таким особым требованиям, в первую очередь, относится способность редуктора как можно точнее поддерживать заданное давление на выходе, независимо от изменений расхода и входного давления. Выполнение этого требования непосредственно определяет комфортность пользования жильцами водоразборной арматурой в квартире.
Важно также, чтобы редуктор поддерживал настроечное давление и в статическом режиме при отсутствии водоразбора, т.к. это обеспечивает безаварийную работу квартирных трубопроводов, арматуры и приборов.
Ремонтопригодность, пригодность для пропуска воды питьевого качества, недоступность для несанкционированного вмешательства в настройки – эти и ряд других дополнительных условий позволили выделить квартирные регуляторы в отдельную группу регулирующей арматуры, требования к которой изложены в ГОСТ Р 55023-2012 «Регуляторы давления квартирные. Общие технические условия».
По принципу действия квартирные редукторы мало чем отличаются от обычных регуляторов давления, работающих по принципу регулирования «после себя» (рис. 1).

Рис.1. Принципиальная схема регулятора давления «после себя»
Представим себе коромысло с равными плечами и опорой в точке «О». Коромысло уравновешено двумя поршнями «а» и «b». Входное давление
Рвх. давит на малый поршень «а» с силой F1= Рвх. · Sа,
где Sа – площадь малого поршня.
Давление на выходе Рвых. давит на большой поршень «b» с силой F2 = Рвх.· Sb , где Sb – площадь большого поршня. Поршень «b» подпружинен пружиной F3 = k · х, где k – упругость пружины, а х – величина сжатия пружины.
Таким образом, силы F1 и F3 стремятся открыть клапан, а сила F2 – стремится его закрыть. В работе регулятора участвуют также силы трения в уплотнениях большого и малого поршня. В мембранных редукторах вместо поршня «b» используется резиновая мембрана.
В связи с тем, что в мембранных редукторах, по сравнению с поршневыми, меньше трущихся поверхностей, ресурсная надёжность таких регуляторов выше, но и стоимость таких редукторов выше, чем поршневых.
Производители регуляторов давления, как правило, выпускают достаточно широкую линейку редукторов, как мембранных, так и поршневых, конструктивно отличающихся друг от друга пропускной способностью, диапазонами настройки, максимальным коэффициентом редукции, дополнительными опциями и пр. Для примера, в таблице 1 приведены типы регуляторов давления, выпускающихся под торговой маркой VALTEC.
Таблица 1. Редукторы торговой марки VALTEC
Из приведенной в таблице 1 номенклатуры наибольшим спросом пользуются редукторы, объединённые с шаровым краном и фильтром механической очистки VT.298, VT.299. Они значительно сокращают монтажную длину квартирного узла ввода, недоступны для постороннего вмешательства в заводскую настройку выходного давления и идеально подходят в качестве квартирных регуляторов.

Рис. 2. Появление капель воды из пружинной камеры –
свидетельство износа поршневых уплотнений
Большой интерес у эксплуатирующих организаций вызывает также линейный редуктор VT.084. Изменение монтажной настройки у этого редуктора возможно только при отсоединении его от трубопровода, что полностью исключает несанкционированное вмешательство в его настройку. Однако, как показал опыт эксплуатации этих приборов, при сильно загрязнённой воде наблюдается быстрый износ или «закисание» уплотнительных колец поршней. В связи с этим, начиная с 2017 года редукторы VT.298, VT.299 и VT.084 производитель решил делать мембранного типа.
Если говорить о наиболее распространенных причинах отказов квартирных регуляторов давления, то самый большой процент нареканий на работу квартирных редукторов вызывает тот факт, что редуктор не держит заданное давление в статическом режиме. То есть, при отсутствии водоразбора давление после редуктора растёт выше, чем давление настройки. В большинстве случаев это связано с попаданием твердых нерастворимых частиц на седло золотника. В результате такого засорения золотник неплотно перекрывает водяной канал, и давление за редуктором начинает расти. Редуктор, тем самым, превращается в обычный дроссель. Такой отказ легко устраним простой прочисткой седла и самого золотника. Если само седло не повреждено, то после прочистки редуктор восстановит свою работоспособность.
В ряде случаев, недопустимый рост давления за редуктором, стоящим на холодном водопроводе, вовсе не связан с отказом регулятора давления, а вызван другой причиной. Холодная вода с температурой значительно ниже комнатной, поступив в квартирную систему, при отсутствии водоразбора (например, ночью) нагревается до комнатной температуры. Нагрев воды вызывает её расширение и рост давления. Как видно, редуктор тут не при чём. Спасти ситуацию можно, установив после редуктора мембранный гаситель гидроударов VT.CAR19 или VT.CAR20. Пневмоёмкость гасителя примет в себя излишек воды, получившейся в результате её расширения, не дав давлению выйти за допустимые пределы.

Рис.3. Кавитационное разрушение зоны седла и стенки редуктора
Ещё одной распространенной причиной отказов поршневых редукторов является износ уплотнительных колец большого или малого поршня. Существенное влияние на интенсивность этого износа влияет качество подаваемой из водопровода воды. Повышенное солесодержание и наличие мелких нерастворимых частиц ведут к достаточно активному абразивному воздействию на эластомеры уплотнительных материалов. Фильтры механической очистки, устанавливаемые перед редуктором, а также встроенные фильтры с размером ячеи 200÷500 мкм не могут защитить арматуру от мелких дисперсных частиц. Еще больше усугубляет ситуацию установка редукторов так, что шток с золотником и поршнями находится в горизонтальном положении. В этом случае нерастворимые частицы скапливаются внизу поршневой камеры и ускоряют износ уплотнителей.
Износ уплотнений проявляет себя в появлении капель воды в вентиляционном отверстии пружинной камеры (рис. 2). Как правило, большинство современных квартирных регуляторов давлений ремонтопригодны, поэтому для устранения течи достаточно поменять кольца на поршне, очистить отложения на стенках поршневой камеры, и регулятор давления восстанавливает свою работоспособность.

Рис. 4. Кавитационное разрушение золотниковой обоймы редуктора
Гораздо большую опасность таит в себе неправильный подбор редуктора по расходному режиму. Когда расход через редуктор начинает превышать номинальный, приведенный в таблице 3, а коэффициент редукции (отношение давлений на входе и на выходе) превышает 2,5, в районе седла возможно появление кавитации. Сильное дросселирование потока и резкое местное понижение давления вызывает выделение из воды пузырьков водяного пара, которые, схлопываясь, создают локальное повышение давления до нескольких тысяч бар. Мало того, что кавитация вызывает повышенный шум от редуктора, она может полностью разрушить и само седло, и прилегающую к седлу зону, и даже стенку корпуса редуктора (рис. 3 и 4).
Ряд производителей интегрируют в седло клапана кольцо из нержавеющей стали, что, по их утверждению, надёжно защищает редуктор от кавитации. Но эта мера никак не защищает зону, прилегающую к седлу и стенки корпуса редуктора.
- Для того, чтобы надежно обезопасить квартирный регулятор давления от кавитации, при его подборе необходимо придерживаться следующих правил:
- расход через редуктор не должен превышать значений, указанных в таблице 3. Эта таблица из DIN EN 1567 : 2000 рассчитана, исходя из скорости потока 2 м/с. Здесь уместно напомнить, что в соответствии с п. 5.5.6 СП 30.13330.2012 «Скорость движения воды в трубопроводах внутренних сетей не должна превышать 1,5 м/с»;
- рабочая точка редуктора по соотношению давлений на входе и на выходе должна лежать в зеленой зоне на диаграмме кавитации (рис. 5);
- снижение давления на редукторе по отношению к давлению на стройки не должно превышать 1,2 бара.

Рис. 5. Диаграмма кавитации
Что же делать, если подобрать квартирный редуктор, удовлетворяющий перечисленным условиям, не удаётся? Например, давление на входе в редуктор в высотном здании составляет 10 бар, и требуется обеспечить давление на выходе 2,7 бар. По графику на рис. 13 такой редуктор будет работать в зоне возможного возникновения кавитации, т.е. коэффициент при расчетном расходе редукции превышает 2,5. В этом случае требуется каскадное снижение давление, то есть необходимо первый редуктор нужно настроить на давление 4 бара, а следующий уже на 2,7 бара. Только в этом случае будет обеспечена длительная безаварийная работа регуляторов давлений. Если же и эта мера не помогает, не остаётся ничего другого, как вернуться к испытанной двухзонной системе водоснабжения, когда водопроводные стояки по высоте разбиваются на две зоны. Например, в 16-этажном здании стояки первой зоны снабжают этажи с первого по восьмой, а второй зоны – с девятого по шестнадцатый.
Для того, чтобы квартирный редуктор не создавал жильцам дискомфорта, работал долго, надежно и безаварийно, он должен пройти многостороннее стендовое тестирование, что и является одним из направлением работы Лаборатории комплексных испытаний элементов инженерных систем (ЛаКИЭлИС). Лаборатория проводит испытания квартирных регуляторов давления как по методикам ГОСТ Р 55023-2012, так и по европейским нормам - DIN EN 1567 : 2000 «Арматура водопроводная для зданий. Редукционные и комбинированные редукционные клапаны для воды. Требования и испытания».
- В соответствии нормами DIN EN 1567 : 2000, редуктор должен пройти следующие тесты:
- испытание корпуса редуктора на изгиб корпуса (п. 8.2.1);
- испытание на стойкость к внутреннему давлению (п. 8.2.2);
- испытание на герметичность по отношению к рабочей среде (п. 8.2.3);
- циклические испытания (п. 8.2.4);
- определение пределов настройки для регулируемых редукторов (п. 8.3.1);
- определение настроечного давления для нерегулируемых редукторов давления (п. 8.3.2);
- определение влияния изменения входного давления на давление на выходе из редуктора (п. 8.3.3);
- определение зависимости давления на выходе из редуктора от расхода (п. 8.3.4);
- определение зависимость давления на выходе от расхода при пониженном входном давлении (п. 8.3.5).
Испытание корпуса на изгибающий момент (п. 8.2.1) проводится по схеме, приведенной на рис. 6.

Рис. 6. Схема испытания корпуса на изгибающий момент
В течение 30 секунд корпус должен выдержать без деформации и разрушения приложенную силу, в соответствии с таблицей 2.
Испытание на стойкость к внутреннему давлению (плотность) (п. 8.2.2) редукторов проводится на установке, показанной на рис. 7. На вход редуктора подаётся давление 25 бар, при этом на выходе поддерживается давление 16 бар. Испытание длится в течение 10 минут. За это время не должно произойти деформаций корпуса, а также не должно появиться протечек по корпусу и местам соединения деталей редуктора.
Таблица 2. Значение приложенной силы в зависимости от DN

Рис. 7. Установка для испытания редуктора на стойкость в к внутреннему давлению
Тестом на герметичность по отношению к рабочей среде (п. 8.2.3) проверяется качество уплотнения золотника между камерами высокого и низкого давления. Испытание проводится на той же установке, что и в предыдущем тесте. На вход подаётся давление 6 бар (кран В закрыт) и выдерживается в течение 10 мин. Затем давление повышается на 1 бар и выдерживается 1 минуту. С таким же шагом (1 бар) давление повышается до 16 бар. На этом давлении редуктор выдерживается в течение 10 минут. На протяжении всего периода испытаний давление на манометре F должно быть таким же, как и на манометре E.
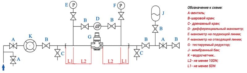
Циклические испытания (п. 8.2.4) редукторов производятся на стенде, схема которого приведена на рис. 8.

Рис. 8. Стенд циклических испытаний
На вход установки подаётся вода с температурой 10–30 °С для редукторов холодной воды и 75–80 °С для редукторов горячей воды. Давление по манометру Е поддерживается 8 бар. С помощью вентиля А и водосчетчика К, устанавливается расход в соответствии с таблицей 3. Расход рассчитан для скорости воды 2 м/с.
Таблица 3. Расход QN в зависимости от диаметра (DN)
Вода циклически проливается через редуктор. Каждый цикл состоит из периода полного закрытия (расход = 0) и периода полного открытия (расход = QN). Продолжительность каждого периода 10 с. Каждый этап испытания составляет 50 000 циклов. После каждого этапа редуктор проверяется на герметичность и изменение настроечного давления. В случае успешного результата проверки циклические испытания повторяются. Общее число циклов, которое должен выдержать редуктор – 200 тыс. Редуктор считается прошедшим испытания, если его герметичность не нарушилась и изменение настроечного давления не превысила 10 % для редукторов холодной воды и 20 % для редукторов горячей воды.
Определение пределов настройки для регулируемых редукторов давления (п. 8.3.1) производится на стенде, показанном на рис. 7. При давлении на входе 8 бар в безрасходном режиме устанавливается минимально возможное выходное давление. Оно должно быть не больше 1,5 бар.
При давлении на входе 16 бар в безрасходном режиме устанавливается максимально возможное выходное давление. Оно должно быть не больше 6,5 бар.
Определение настроечного давления для нерегулируемых редукторов давления (п. 8.3.2) производится на установке, показанной на рис. 7. На вход редуктора в безрасходном режиме подаётся давление 8 бар. При паспортном значении настройки менее и равном 3 бара, отклонение выходного давления не должно отличаться от паспортной величины более чем на 0,3 бара. При паспортном значении настройки более равном 3 бар, отклонение выходного давления не должно отличаться от паспортной величины более чем на 10 %.
Определение влияния изменения входного давления на давление на выходе из редуктора (п. 8.3.3) проводится на установке, схема которой приведена на рис. 7. Для регулируемого редуктора устанавливается давление на выходе 3 бара при давлении на входе 8 бар. Затем давление увеличивается с 6 до 16 бар с шагом 1 бар и выдержкой 1 мин. после каждого шага. По результатам испытаний строится график, который должен вписываться в допустимую (зелёную) зону графика на рис. 9.

Рис. 9. Контрольная зона графика зависимости давления на выходе от входного давления
Зависимость давления на выходе от расхода (п. 8.3.4) определяется на стенде, схема которого приведена на рис. 10. Так же, как и в предыдущем испытании для регулируемого редуктора устанавливается давление на выходе 3 бара при давлении на входе 8 бар.

Рис. 10. Установка для определения зависимости давления на выходе от расхода
На вход редуктора подаётся давление 8 бар, и расход плавно повышается от 0 до QN. QN определяется в зависимости от типоразмера тестируемого редуктора в соответствии с таблицей 3. График должен лежать в области допустимых значений в соответствии с рис. 11.

Рис. 11. Контрольная зона графика зависимости давления на выходе от расхода при входном давлении 8 бар
Аналогичным образом строятся графики для давления на входе 6 и 16 бар.
Зависимость давления на выходе от расхода при пониженном входном давлении (п. 8.3.5) проверяется на той же установке, как и в предыдущем тесте (рис. 10). На вход редуктора подаётся давление, на 1 бар ниже настроечного. Затем замеряется давление при плавном изменении расхода от 0 до QN. Полученный график должен лежать в допустимой (зеленой) зоне графика, представленного на рис. 12.
В российском ГОСТ Р 55023-2012 требования к испытательному стенду для измерения расходных характеристик редукторов по рис. 10 почти такие же, как в DIN EN 1567: 2000, но несколько изменена длина измерительного участка (рис. 13).

Рис. 12. Контрольная зона графика зависимости давления на выходе от расхода
при пониженном входном давлении
Остальные отличия требований ГОСТ Р 55023-2012 от DIN EN 1567 : 2000 показаны в таблице 4.
Таблица 4. Нормируемые характеристики по ГОСТ Р 55023-2012 и DIN EN 1567 : 2000
Из таблицы 4 видно, что в соответствии с ГОСТ Р 55023-2012 для редукторов давления должна определяться условная пропускная способность Kvу, чего в европейских нормах нет. Условная пропускная способность редуктора давления определяется по методике ГОСТ Р 55508-2013 (СТ ЦКБА 029-2006) «Арматура трубопроводная. Методика экспериментального определения гидравлических и кавитационных характеристик» (п. 7.3.2). Золотник редуктора устанавливается и фиксируется в положение максимального открытия. Обычно для этого вместо пружины в редуктор помещается специальная фиксирующая втулка. Редуктор устанавливается на стенде (рис. 10). Размеры измерительных участков должны соответствовать рис. 13.

Рис. 13. Схема измерительного участка по ГОСТу Р 55023-2012. Красным цветом показаны
размеры по ГОСТу Р 55023-2012, синим – по DIN EN 1567:2000
Остальные отличия требований ГОСТ Р 55023-2012 от DIN EN 1567 : 2000 показаны в таблице 4.
Таблица 4. Нормируемые характеристики по ГОСТ Р 55023-2012 и DIN EN 1567:2000
Из таблицы 4 видно, что в соответствии с ГОСТ Р 55023-2012 для редукторов давления должна определяться условная пропускная способность Kvу, чего в европейских нормах нет.
Условная пропускная способность редуктора давления определяется по методике ГОСТ Р 55508-2013 (СТ ЦКБА 029-2006) «Арматура трубопроводная. Методика экспериментального определения гидравлических и кавитационных характеристик» (п. 7.3.2). Золотник редуктора устанавливается и фиксируется в положение максимального открытия. Обычно для этого вместо пружины в редуктор помещается специальная фиксирующая втулка. Редуктор устанавливается на стенде (рис. 10). Размеры измерительных участков должны соответствовать рис. 13.
Расход воды через редуктор настраивается в области квадратичного сопротивления (0,45–0,9 м3/ч для DN15 и 0,55–1,1 м3/ч для DN20). После измерения расхода и перепада давлений на редукторе высчитывается условная пропускная способность по формуле:

где Q – объемный расход, м3/с; ρ – плотность воды (1000 кг/м3); ΔР – перепад давлений на редукторе, Па.
Такие измерения производят пятикратно, каждый раз добиваясь изменения перепада давления на 15 кПа.

Рис. 14. Стенд гидравлических испытаний лаборатории ЛаКИЭлИС
Хотелось бы отметить, что ГОСТ Р 55023-2012 разработан ЗАО «ТВЭСТ» – одним из ведущих производителей квартирных редукторов давления, поэтому стандарт несколько «заточен» под продукцию именно этой организации, и ряд положений в нём вызывают вопросы.
В частности, не очень понятно, почему диапазон рабочих расходов для редукторов DN 15 и DN 20 одинаков? Почему и для регулируемых и для нерегулируемых редукторов установлено одно и то же значение давления на выходе (2,7 ±0,2 бара) и максимальное давление на выходе в безрасходном режиме (3,5 бара)? И как это положение согласуется с СП 30.13330.2012 п. 5.2.10 «Гидростатическое давление в системе хозяйственно-питьевого или хозяйственно-противопожарного водопровода на отметке наиболее низко расположенного санитарно-технического прибора должно быть не более 0,45 МПа (для зданий, проектируемых в сложившейся застройке не более 0,6 МПа)»?
Вызывает сомнение и диктуемое ГОСТом требование по поддержанию выходного давления в диапазоне рабочих расходов в пределах 2,7 ±0,2 бара. Лабораторией ЛаКИЭлИС испытано множество регуляторов давления, представленных на российском рынке. И ни один из них не уложился в заданный « норматив» (в том числе и редуктор КФРД 10-2.0 производства ТВЭСТ). Самое низкое значение отклонения выходного давления при повышении давления на входе в редуктор от 4 до 16 бар, которое удалось обнаружить – это 0,6 бар, а не 0,2, как предписано ГОСТом. Очевидно, что ГОСТ Р 55023-2012 нуждается в серьезной доработке для приближения к реальной современной ситуации.

Рис. 15. График открытия и закрытия редуктора.
Синим цветом показан график при увеличении расхода,
красным – при снижении
Кроме испытаний, предусмотренных перечисленными выше нормативами, в лаборатории ЛаКИЭлИС определяется показатель гистерезиса редуктора. Дело в том, что при работе редуктора в реальных условиях эксплуатации давление на выходе зависит ещё и от того, в какую сторону в данный момент движется шток с золотником. Это значит, что при одном и том же расходе давление на выходе может быть разным, что связано с проявлением сил трения в соприкасающихся деталях редуктора. Особенно это проявляется в поршневых регуляторах давления. Гистерезис редуктора определяется на стенде, схема которого показана на рис. 10, а общий вид стенда приведён на рис. 14. На вход редуктора подаётся давление 8 бар, и расход плавно повышается от 0 до QN.
QN определяется в зависимости от типоразмера тестируемого редуктора в соответствии с таблицей 3. Затем расход также плавно снижается от QN до 0. По результатам теста выстраивается график, вид которого представлен на рис. 15. Если гистерезис Δ оказывается свыше 10 %, то такой регулятор давления не рекомендуется использовать в качестве квартирного.
И ещё об одном аспекте, связанном с квартирными регуляторами давления воды, нельзя не упомянуть. Зачастую проектировщики, не утруждая себя сложными расчетами, планируют установку квартирных редукторов «до кучи» на всех этажах зданий. Но так ли это необходимо? Рекомендуем жильцам, прежде чем бежать в магазин за «правильным» редуктором, замерить давление горячей и холодной воды на входе в квартиру. Если это давление не превышает 4,5 бара, и разница между давлениями холодной и горячей воды не превышает 1 бар, то никакого регулятора давления ставить просто не нужно.
Автор: Поляков В.И.
© Правообладатель ООО «Веста Регионы», 2010
Все авторские права защищены. При копировании статьи ссылка на правообладателя
и/или на сайт valtec.ru обязательна.