- Новости
- Изменение в конструкции
15-07-2020 08:30
Изменение в конструкции

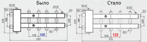
Принимая во внимание отзывы специалистов, работающих с продукцией VALTEC непосредственно на объектах, производитель внес изменение в конструкцию гидроразделителя с коллектором VTc.100.SH на пять отопительных контуров (модель VTc.100.SH.070605). Межосевое расстояние между парами выходов увеличено со 100 до 125 мм.
Данное изменение позволяет использовать гидроразделитель VTc.100.SH.070605 совместно с любыми насосными группами (в том числе других фирм) с межосевым расстоянием 125 мм и присоединительным размером 1”.

